微型調速電機,微型減速電機,微型定速電機
當前位置: 首 頁 > 産品展示 > GV立式中型減速電機 > 中型減速電機GV立式750W

聯系我們Contact Us

東莞市永傳電機制造有限公司

手 機(jī):13802395979

郵(yóu) 箱:dgaboue@163.com

電(diàn) 話(huà):18029023313

網(wǎng) 址:wap.iouqyl.cn

地 址 :東(dōng)莞市厚街鎮家具大道196号光輝智谷B棟(dòng)9樓

中型減速電機GV立式750W

  • 所屬分類:GV立式中型減速電機
  • 浏覽次數:0
  • 發布時間:2023-02-21 13:52:19
  • 産品概述

  中型減速電機GV立式750W:經過精密加工,確保定位精度,振動小,噪音低,節能高,選用優質段鋼材料,鋼性鑄鐵箱體,齒輪表面經過高頻熱處理,能耗低,性能優越,減速機效率高,節省空間,可靠耐用,承受過載能力高。

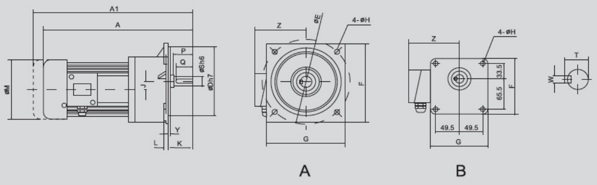
  尺寸圖:

尺寸圖

  尺寸表 :

尺寸表

标簽

微型調(diào)速電(diàn)機,微型減速電(diàn)機,微型定速電(diàn)機
下一篇 : 直齒減速電機PLF060 2022-12-27